Cable to DBW Sensor
Appearance
Honda
In the mid 2000s Honda/Acura used sensors to map cable throttles to electronic Drive By Wire throttle bodies. These are a cheap alternative to adding in an electronic throttle pedal on older cars.

37971-RBB-003
Part number
- 37971-RBB-003
- 37971-PZX-003
- 37971-RCA-A01
- 37971-RDA-A01
Interchange:
- S8776
- APS147
- PPS1046
- 72-7080
- 1802-300281
- 2-80046
- SU10238
- 699-199
- 699199
Connector
HX 040 Sealed Series - 6189-1012
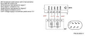
Wiring

- Pin 1: +5 V (Sensor A reference)
- Pin 2: Signal ground (Sensor A)
- Pin 3: Signal A (increasing voltage with throttle opening)
- Pin 4: Signal B (decreasing voltage with throttle opening)
- Pin 5: Signal ground (Sensor B)
- Pin 6: +5 V (Sensor B reference)
The ECU cross-checks Signal A and Signal B: one ramp increases, the other decreases.
Applications
- 2003-2007 Accord
- 2003-2006 Acura MDX
- 2004-2008 Acura TL,
- 2004-2008 Acura TSX
- 2005-2006 CR-V
- 2007-2011 Element
- 2005-2008 Pilot
- 2006-2014 Ridgeline
Mercedes-Benz
The sensor is fundamentally the same as the Honda sensor, converting a cable input into signals that can be used for DBW. Came in W210 series.

A0125423317
This is the part for just the sensor, the assembly does not have a single part number but can generally be found by searching "Mercedes-Benz Throttle Pedal Sensor"
Part number
- A0125423317
Connector
6-Way Connector Bosch/TE MQS D261.205.358-01 for DBW Throttle Body

Wiring
- Pin 1: +5 V
- Pin 2: NC
- Pin 3: Signal ground B
- Pin 4: Signal B
- Pin 5: Signal A
- Pin 6: Signal ground A
Applications
- 1997–2000, C230
- 1999–2003, CLK320 Convertible
- 1999–2003, CLK430
- 2001–2002, CLK55 AMG
- 2000–2002, E320
- 2003, E320 4Matic
- 2003, E320 Base Wagon
- 1998–2002, E430
- 1999–2002, E55 AMG
- 2002–2008, G500
- 2003–2004, G55 AMG
- 998–2003, ML320
- 2003–2005, ML350
- 1999–2001, ML430
- 2002–2005, ML500
- 2000–2003, ML55 AMG
- 1999–2002, SL500
- 1998–2000, SLK230